TOP
PRODUCTS
Home > Products
Features
·Wide Wavelength Range
·Low Crosstalk
·High Stability, High Reliability
·Epoxy-free on Optical Path
Applications
·R&D in Laboratory
·System Monitoring
·OADM
·OXC
pecifications
Parameters | Unit | OSW-1×1 | |
Wavelength Range | nm | 780~980,850&1310 | 1260 ~ 1650 |
Test Wavelength | nm | 780 , 850 , 905 , 1310 | 1310 / 1550 |
Insertion Loss | dB | Typ: 0.5 Max: 0.8 | |
Return Loss | dB | MM ≥ 30 SM ≥ 55 | |
Crosstalk | dB | MM ≥ 40 SM ≥ 55 | |
PDL | dB | ≤0.15 | |
ER | dB | ≥18 | |
WDL | dB | ≤0.35 | |
Repeatability | dB | ≤±0.05 | |
Durability | Cycles | ≥ 3X10 Million | |
Switching Time | ms | ≤5 | |
Optical Power | mW | ≤500 | |
Operating Temperature | ℃ | -20 ~ +70 | |
Storage Temperature | ℃ | -40 ~ +85 | |
Relative Humidity | % | 5 ~ 95 | |
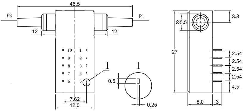
Dimension | mm | (L)27×(W)12.0×(H)8.0(±0.2) | |
Route States
Power Supply Requirement
Voltage | current | Resistor | |
5V Latching | 4.5~5.5 | 36~44mA | 125Ω |
5V Non-Latching | 4.5~5.5 | 26~32mA | 175Ω |
3V Latching | 2.7~3.3 | 54~66mA | 50Ω |
3V Non-Latching | 2.7~3.3 | 39~47mA | 70Ω |
Pin Configurations
Type | Optical Route | Electric Drive | Status Sensor | ||||||
1×1 | Pin 1 | Pin 5 | Pin 6 | Pin 10 | Pin 2-3 | Pin 3-4 | Pin 7-8 | Pin 8-9 | |
Latching | close | -- | -- | GND | V+ | Close | Open | Open | Close |
P1-P2 | V+ | GND | -- | -- | Open | Close | Close | Open | |
Non -latching | close | -- | -- | -- | -- | Close | Open | Open | Close |
P1-P2 | V+ | -- | -- | GND | Open | Close | Close | Open | |
Dimension

Ordering Information: OSW-1×1-A-B-C-D-E-F-G
A | B | C | D | E | F | G |
Mode | Wavelength | Voltage | Control Model | Fiber Diameter | Fiber Length | Connector |
SM:9/125um M5: 50/125um M6: 62.5/125um PM:PM
| 85: 850nm 90: 905nm 13: 1310nm 14: 1490nm 15: 1550nm 162: 1625nm 165: 1650nm 13/15:1310/1550nm | 3: 3V 5: 5V | L: Latching N:Non-Latching | 25:250um 90:900um | 05:0.5m 10:1.0m 15:1.5m | OO:None FP: FC/PC FA: FC/APC SP: SC/PC SA: SC/APC LP: LC/PC LA: LC/APC |