TOP
PRODUCTS
Home > Products
◇Feature:
lUnmatched Low Cost
lLow Insertion Loss
lHigh Channel Isolation
lHighly Stable and Reliable
lEpoxy-Free Optical path
lLatching or Non-Latching
◇ Application:
lOptical Network Protection/Restoration
lOptical Signal Routing
lConfigurable Optical Add/Drop
lTransmitter and Receiver Protection
lNetwork Test Systems
lInstrumentation
◇ Performance
Parameter | Specification | |
Operating Wavelength (nm) | 850&1310±40 | 1260~1650 |
Insertion Loss (dB) | ≤1.0 | ≤1.2 |
WDL (dB) | ≤0.25 | ≤0.30 |
PDL (dB) | ≤0.1 | |
Channel Cross Talk (dB) | ≥40 | ≥55 |
Repeatability (dB) | ±0.02 | |
Return loss (dB) | ≥35 | ≥55 |
Switching Speed (ms) | ≤8 | |
Drive Voltage (V) | 5 | |
Power Handing (mW) | 500 | |
Durability (Cycles) | 10 Million | |
Operating Temperature (℃) | 0~70 | |
Storage Temperature (℃) | -40~85 | |
Fiber Type | N/125um | |
Fiber Length (m) | Customer Specify | |
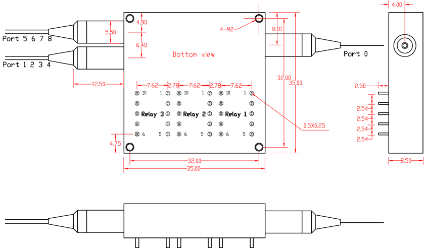
Dimension (L×W×H) (mm) | 35X35X8.5 | |
◇ Dimensions(mm)

◇ Ordering Information:OSW-1×8T-A-B-C-D-E-F-G
A | B | C | D | E | F | G |
Mode | Wavelength | Voltage | Control Model | Fiber Diameter | Fiber Length | Connector |
SM:9/125um M5: 50/125um M6: 62.5/125um | 85: 850nm 13: 1310nm 14: 1490nm 15: 1550nm 162: 1625nm 165: 1650nm 13/15:1310/1550nm | 3: 3V 5: 5V | L: Latching N:Non-Latching | 25:250um 90:900um | 05:0.5m 10:1.0m 15:1.5m | OO:None FP: FC/PC FA: FC/APC SP: SC/PC SA: SC/APC LP: LC/PC LA: LC/APC |