TOP
PRODUCTS
Home > Products
◇ Application
l Metropolitan Area Network
l R&D in Laboratory
l System Monitoring
l Configurable OADM
◇Features
l Low Insertion Loss
l Wide Wavelength Range
l Low Crosstalk
l High Stability, High Reliability
l Epoxy-free on Optical Path
l Latching and Non-latching
Parameters | OSW-2×4 | ||
Wavelength Range | nm | 850~1310 | 1260~1670 |
Testing Wavelength | nm | 850/980/1064/1310 | 1310/1490/1550/1625/1650 |
Insertion Loss | dB | Typ:1.0,Max:1.5 | Typ:1.2 ,Max:1.8 |
Return Loss | dB | ≥30 | ≥50 |
Crosstalk | dB | ≥35 | ≥55 |
PDL | dB | ≤0.05 | |
WDL | dB | ≤0.25 | |
TDL | dB | ≤0.25 | |
Repeatability | dB | ≤±0.02 | |
Power supply | v | 3.0 or 5.0 | |
Lifetime | Cycle | ≥107 | |
Switch Time | ms | ≤8 | |
Transmission Power | mW | ≤500 | |
Operation Temperature | ℃ | -20~+85 | |
Storage Temperature | ℃ | -40~+85 | |
Operation Temperature | ℃ | -20~+85 | |
Extinction Ratio1 | dB | ≥18 | |
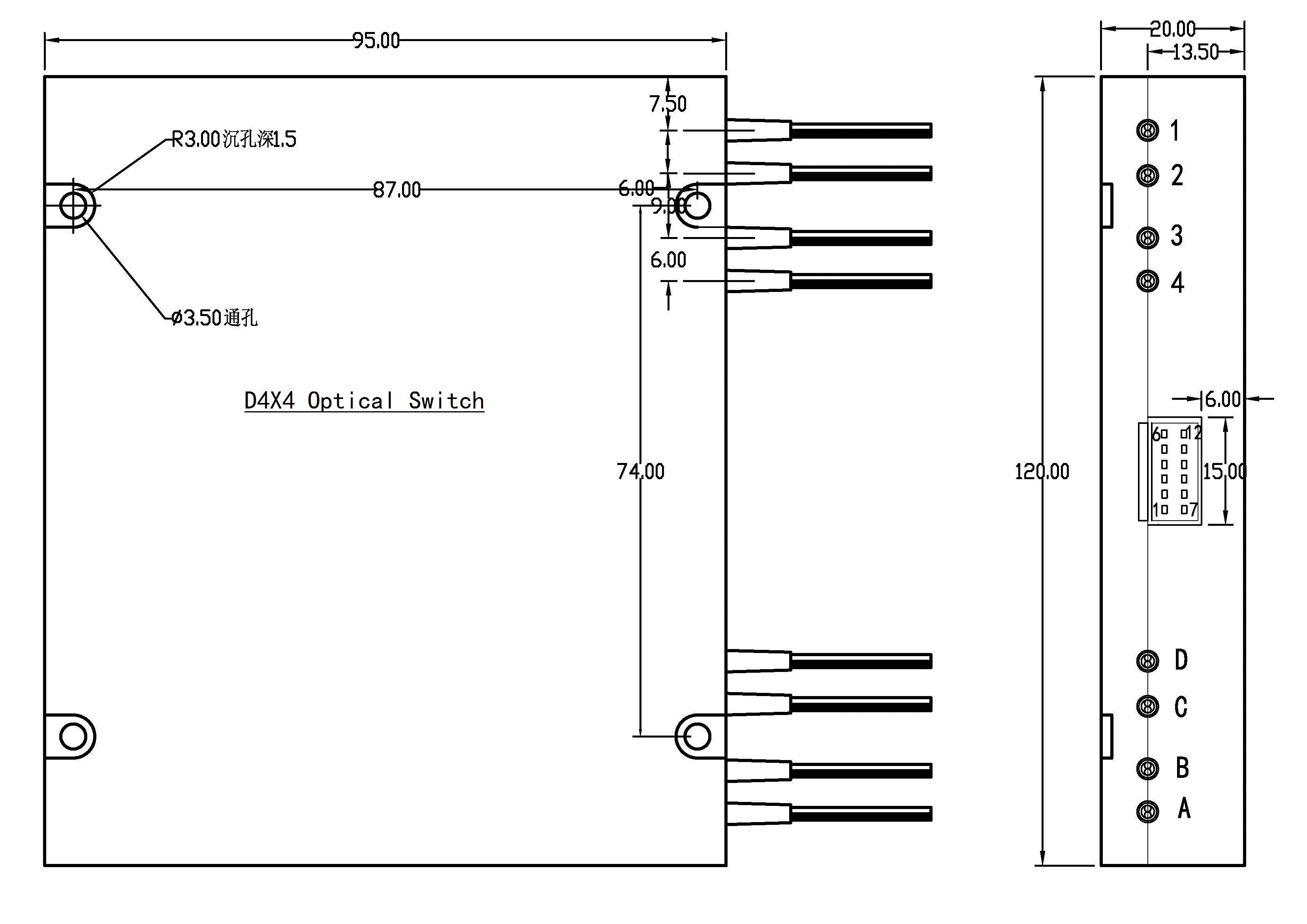
Size:

Pins:
Pin No. | Type(I/O) | Name | Function |
1 | Input | /RESET | TTL |
2 | Input | D0 | TTL,D0 is low, and D4 is high, Example:00000b=1 CH;11111b=32 CH。 |
3 | Input | D1 | |
4 | Input | D2 | |
5 | Input | D3 | |
6 | Input | D4 | |
7 | Out | /READY | TTL, Ready (High=Not ready, Low=Ready) |
8 | Out | ERROR | TTL, Error (High=Error, Low=No error) |
9 | Power in | GND | Ground |
10 | Power in | 5V | 5.0±5% VDC Power Supply (max 500mA) |
11 | S- | RS232 | RX (B) |
12 | S+ | RS232 | TX (A) |
TTL control logic:
No. | /RESET | D4 | D3 | D2 | D1 | D0 | 4X4 | |||
Reset | 0 | X | X | X | X | X | A-1 | B-2 | C-3 | D-4 |
State 1 | 1 | 0 | 0 | 0 | 0 | 0 | A-1 | B-2 | C-3 | D-4 |
State2 | 1 | 0 | 0 | 0 | 0 | 1 | C-4 | D-3 | ||
State3 | 1 | 0 | 0 | 0 | 1 | 0 | B-3 | C-2 | D-4 | |
State4 | 1 | 0 | 0 | 0 | 1 | 1 | C-4 | D-2 | ||
State5 | 1 | 0 | 0 | 1 | 0 | 0 | B-4 | C-2 | D-3 | |
State6 | 1 | 0 | 0 | 1 | 0 | 1 | C-3 | D-2 | ||
State7 | 1 | 0 | 0 | 1 | 1 | 0 | A-2 | B-1 | C-3 | D-4 |
State8 | 1 | 0 | 0 | 1 | 1 | 1 | C-4 | D-3 | ||
State9 | 1 | 0 | 1 | 0 | 0 | 0 | B-3 | C-1 | D-4 | |
State10 | 1 | 0 | 1 | 0 | 0 | 1 | C-4 | D-1 | ||
State11 | 1 | 0 | 1 | 0 | 1 | 0 | B-4 | C-1 | D-3 | |
State12 | 1 | 0 | 1 | 0 | 1 | 1 | C-3 | D-1 | ||
State13 | 1 | 0 | 1 | 1 | 0 | 0 | A-3 | B-1 | C-2 | D-4 |
State14 | 1 | 0 | 1 | 1 | 0 | 1 | C-4 | D-2 | ||
State15 | 1 | 0 | 1 | 1 | 1 | 0 | B-2 | C-1 | D-4 | |
State16 | 1 | 0 | 1 | 1 | 1 | 1 | C-4 | D-1 | ||
State17 | 1 | 1 | 0 | 0 | 0 | 0 | B-4 | C-1 | D-2 | |
State18 | 1 | 1 | 0 | 0 | 0 | 1 | C-2 | D-1 | ||
State19 | 1 | 1 | 0 | 0 | 1 | 0 | A-4
| B-1 | C-2 | D-3 |
State20 | 1 | 1 | 0 | 0 | 1 | 1 | C-3 | D-2 | ||
State21 | 1 | 1 | 0 | 1 | 0 | 0 | B-2 | C-1 | D-3 | |
State22 | 1 | 1 | 0 | 1 | 0 | 1 | C-3 | D-1 | ||
State23 | 1 | 1 | 0 | 1 | 1 | 0 | B-3 | C-1 | D-2 | |
State24 | 1 | 1 | 0 | 1 | 1 | 1 | C-2 | D-1 | ||
Attention: It is not possible to select the same output for two inputs at the same time! This command is illegal.
Ordering Information: OSW- A-B-C-D-E-F-G
A | B | C | D | E | F | G |
Mode | Wavelength | Control Type | Fiber diameter | Fiber Length | Connector | |
2X4 3X4 4X4 D2X4 D3X4 D4X4 | SM:SM,9/125um M5:MM,50/125um M6:MM,62.5/125um | 85: 850nm 13: 1310nm 14: 1490nm 15: 1550nm 162: 1625nm 165: 1650nm 13/15:1310/1550nm X:Other | L:Latching N:Non-Latching | 25:250um 90:900um; 20:2.0mm X: Other | 05:0.5m 10:1.0m X:Other | OO:None FP: FC/PC FA: FC/APC SP: SC/PC SA: SC/APC SP: ST/PC SA: ST/APC LP: LC/PC LA: LC/APC X: Other |