TOP
PRODUCTS
Home > Products
◇Features
lLow Insertion Loss
lWide Wavelength Range
l Low Crosstalk
l High Stability, High Reliability
l Epoxy-free on Optical Path
l Latching and Non-latching
◇ Application
lMetropolitan Area Network
lR&D in Laboratory
lSystem Monitoring
lConfigurable OADM
◇ Performance
Parameters | OSW-(4-D2×2B) | ||
Wavelength Range | nm | 650~1310 | 1260~1670 |
Testing Wavelength | nm | 650/780/850/980/1064/1310 | 1310/1490/1550/1625/1650 |
Insertion Loss | dB | Typ:0.6,Max:1.0 | Typ:0.8 ,Max:1.2 |
Return Loss | dB | ≥30 | ≥50 |
Crosstalk | dB | ≥35 | ≥50 |
PDL | dB | ≤0.05 | |
WDL | dB | ≤0.25 | |
TDL | dB | ≤0.25 | |
Repeatability | dB | ≤±0.02 | |
Power supply | v | 3.0 or 5.0 | |
Lifetime | Cycle | ≥107 | |
Switch Time | ms | ≤8 | |
Transmission Power | mW | ≤500 | |
Operation Temperature | ℃ | -20~+85 | |
Storage Temperature | ℃ | -40~+85 | |
Weight | g | 30 | |
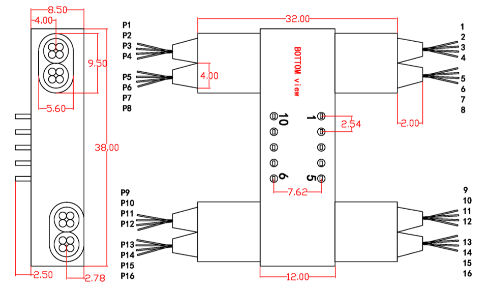
Dimension | mm | (L)38×(W)12×(H)8.5(±0.2) | |
◇ Route States

◇ Pins
Optical Path | Electrical Drive | Sensor Status | |||||
4-D2×2B | 1 | 5 | 6 | 10 | 3-4 7-8 | 2-3 8-9 | |
Latching | 1-P2,3-P4,5-P6,7-P8,9-P10,11-P122,13-P14,15-P16 | N/A | N/A | GND | +5V | OPEN | CLOSE |
1-P1,2-P2,3-P3,4-P4,5-P5,6-P6,7-P7,8-P8,9-P9,10-P10, 11-P11,12-P12,13-P13,14-P14,15-P15,16-P16 | +5V | GND | N/A | N/A | CLOSE | OPEN | |
Non- Latching | 1-P2,3-P4,5-P6,7-P8,9-P10,11-P122,13-P14,15-P16 | N/A | N/A | N/A | N/A | OPEN | CLOSE |
1-P1,2-P2,3-P3,4-P4,5-P5,6-P6,7-P7,8-P8,9-P9,10-P10, 11-P11,12-P12,13-P13,14-P14,15-P15,16-P16 | +5V | N/A | N/A | GND | CLOSE | OPEN | |
◇ Dimensions

◇ Ordering Information:OSW-(4-D2×2B)-A-B-C-D-E-F-G
A | B | C | D | E | F | G |
Mode | Wavelength | Voltage | Control Model | Fiber Diameter | Fiber Length | Connector |
SM:9/125um M5: 50/125um M6: 62.5/125um | 85: 850nm 13: 1310nm 14: 1490nm 15: 1550nm 162: 1625nm 165: 1650nm 13/15:1310/1550nm | 3: 3V 5: 5V | L: Latching N:Non-Latching | 25:250um 90:900um | 05:0.5m 10:1.0m 15:1.5m | OO:None FP: FC/PC FA: FC/APC SP: SC/PC SA: SC/APC LP: LC/PC LA: LC/APC |