TOP
PRODUCTS
Home > Products
Features
= Low Insertion Loss
= High Stability & Reliability
= Wide Wavelength Range
Applications
= Optical Network Protection
= System Monitoring
= Research And Development
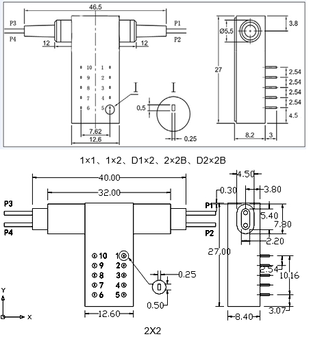
1×1、1×2、D1×2、2×2B、D2×2B 、2X2optical switches are key components in the new generation of all optical networks, with industry-leading performance. With low insertion loss, small size, high reliability and good stability, it is widely used in Photoprotection systems, optical network testing and monitoring systems.
Specifications
Parameters | Unit | OSW-1×1、1×2、D1×2、2×2B、D2×2B 、2X2 | |
Wavelength Range | nm | 650~1310 | 1260~1670 |
Testing Wavelength | nm | 650/780/850/980/1064/1310 | 1310/1490/1550/1625/1650 |
Insertion Loss | dB | Typ:0.5 ,Max:0.8 | |
Return Loss | dB | ≥30 | ≥50 |
Crosstalk | dB | ≥35 | ≥55 |
PDL | dB | ≤0.05 | |
Extinction Ratio1 | dB | ≥18 | |
WDL | dB | ≤0.25 | |
TDL | dB | ≤0.25 | |
Repeatability | dB | ≤±0.02 | |
Power supply | v | 3.0 or 5.0 | |
Lifetime | Cycle | ≥107 | |
Switch Time | ms | ≤8 | |
Transmission Power | mW | ≤500 | |
Operation Temperature | ℃ | -20~+70 | |
Storage Temperature | ℃ | -40~+85 | |
Weight | g | 16 | |
Dimension | mm | (L)27×(W)12.6×(H)8.5(±0.2) | |
Pins
Optical Path | Electric Drive
| Sensor Status
| |||||
1 | 5 | 6 | 10 | 3-4 /7-8 | 2-3/8-9 | ||
Latching | A | N/A | N/A | GND | V+ | OPEN | CLOSE |
B | V+ | GND | N/A | N/A | CLOSE | OPEN | |
Non-latching
| A | N/A | N/A | N/A | N/A | OPEN | CLOSE |
B | V+ | N/A | N/A | GND | CLOSE | OPEN | |

Electrical parameters
Voltage | current | Resistor | |
5V Latching | 4.5~5.5 | 36~44mA | 125Ω |
5V Non-Latching | 4.5~5.5 | 26~32mA | 175Ω |
3V Latching | 2.7~3.3 | 54~66mA | 50Ω |
3V Non-Latching | 2.7~3.3 | 39~47mA | 70Ω |
Size

Ordering Information: OSW -A-B-C-D-E-F-G -H
A | B | C | D | E | F | G | H |
Type | Mode | Wavelength | Voltage | Control Model | Fiber Diameter | Fiber Length | Connector |
1X1 1X2 2X2B D1X2 D2X2B 2X2 | SM:9/125um M5: 50/125um M6: 62.5/125um | 85: 850nm 13: 1310nm 14: 1490nm 15: 1550nm 162: 1625nm 165: 1650nm 13/15:1310/1550nm | 3: 3V 5: 5V | L: Latching N:Non-Latching | 25:250um 90:900um | 05:0.5m 10:1.0m 15:1.5m | OO:None FP: FC/PC FA:FC/APC SP: SC/PC SA:SC/APC LP: LC/PC LA:LC/APC |