TOP
PRODUCTS
Home > Products
◇Features
● Low Insertion Loss
● Wide Wavelength Range
● Low Crosstalk
● High Stability, High Reliability
● Epoxy-free on Optical Path
● Latching and Non-latching
◇ Application
● Metropolitan Area Network
● R&D in Laboratory
● System Monitoring
● Configurable OADM
◇ Performance
Parameters | MMSW-2×2B | |||
Wavelength Range | nm | 650~1310 | 1260~1670 | |
Testing Wavelength | nm | 650/780/850/980/1064/1310 | 1310/1490/1550/1625/1650 | |
Insertion Loss | 2×2B | dB | Typ:0.8,Max:1.2 | Typ:0.8 ,Max:1.0 |
Return Loss | dB | ≥30 | ≥50 | |
Crosstalk | dB | ≥35 | ≥50 | |
PDL | dB | ≤0.05 | ||
WDL | dB | ≤0.25 | ||
TDL | dB | ≤0.25 | ||
Repeatability | dB | ≤±0.02 | ||
Power supply | v | 3.3 or 5.0 | ||
Lifetime | Cycle | ≥107 | ||
Switch Time | ms | ≤8 | ||
Transmission Power | mW | ≤500 | ||
Operation Temperature | ℃ | -30~+85 | ||
Storage Temperature | ℃ | -40~+85 | ||
Weight | g | 16 | ||
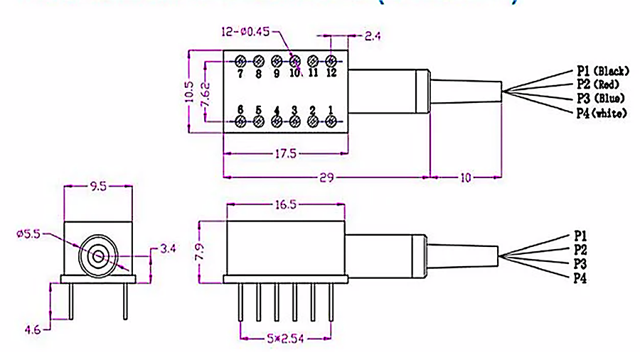
Dimension | mm | (L)17.5×(W)10.5×(H)7.9(±0.2) | ||
◇ Functional Diagram

◇ Pins
Optical Path | Electric Drive | Status Sensor | ||||
2×2B | Pin3 | Pin10 | Pin5-4 / Pin8-9 | Pin5-6 /Pin 8-7 | ||
Latching | A | GND | V+ | Close | open | |
B | V+ | GND | open | Close | ||
Non- Latching | A | N/A | NIA | Close | open | |
B | V+ | GND | open | Close | ||
Pin 1.2,11,12 For fixed purposes | ||||||
State | 1X1 (D1X1) | 1X2 | 2X2 Bypass | |||
A | Light Close | P1-P2 | P1-P3 | |||
B | P1-P2/1-2 | P1-P3 | P1-P4 / P2-P3 | |||
State | 1X1(D1X1) |
A | Light Close |
B | P1-P2 |
◇ Electrical parameters
Voltage | current | Resistor | |
5V Latching | 4.5~5.5 | 36~44mA | 125Ω |
5V Non-Latching | 4.5~5.5 | 26~32mA | 175Ω |
3V Latching | 2.7~3.3 | 54~66mA | 50Ω |
3V Non-Latching | 2.7~3.3 | 39~47mA | 70Ω |
◇ Dimensions

◇ Ordering Information:MOSW-A-B-C-D-E-F-G
A | B | C | D | E | F | G | |
Mode | Wavelength | Voltage | Control Model | Fiber Diameter | Fiber Length | Connector | |
1x1:1X1 D1x1:D1X1 1x2:1X2 2x2B:2X2Bypass | SM:9/125um M5: 50/125um M6: 62.5/125um | 85: 850nm 13: 1310nm 14: 1490nm 15: 1550nm 162: 1625nm 165: 1650nm 13/15:1310/1550nm | 3: 3V 5: 5V | L: Latching N:Non-Latching | 25:250um 90:900um | 05:0.5m 10:1.0m 15:1.5m | OO:None FP: FC/PC FA: FC/APC SP: SC/PC SA: SC/APC LP: LC/PC LA: LC/APC |