TOP
PRODUCTS
Home > Products
1.PRODUCT OVERVIEW
OSW-1×N optical switch(Hereinafter referred to as MEMS optical switch), a multi-channel optical path switch modularization product which is researched by CORERAY. MEMS optical switch based on electrostatic driving and vertical micro technology is presented. Due to its advantages such as small in size, quickly and stable performance, it is mainly used in optical communication and test system. The optical path schemes as follows:
2. TYPICAL APPLICATIONS
● Multi-optical channel monitoring in optical transmission system
● LAN multi optical source/ detector auto switch, optical sensing multi-point dynamic monitoring system
● It is mainly used for Optical fiber, optical device, network and open country project automatic system test
● Installation and debugging of optical device
3. FEATURES
●Frequency switching speed
●Proven MEMS durability and reliability
●Small and exquisite volume
●TTL Control interface
●Modularize design
●Low Insertion Loss

4. MAIN SPECIFICATIONS
PARAMETER | VALUE |
Number of path | 1~256 |
Working wave length(nm) | 698 |
Fiber type(um) | PM |
Insertion Loss(dB) | 1.5 |
Return Loss(dB) | ≥50 |
Crosstalk(dB) | >60 |
Repeatability(dB) | ≤±0.02 |
Switch Time(ms) | ≤5 |
Switch lifetime (time) | ≥109 |
Optical power(mW) | 500 |
Operation Temperature(℃) | -20~+70 |
Storage Temperature(℃) | -40~+80 |
Control interface | TTL、UART (RS232) |
Control Voltage(V) | 5V |
Dimention(mm) | 90*55*12 |
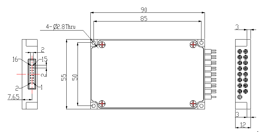
5.Overall Dimensions

6. PIN DEFINITION
PIN NUMBER | PIN NAME | FUNCTION | LEV | NOTE | |
M3,4,5 | M1,2 | ||||
1 | 5 | D0 | IN | LVTTL | TTL mode:data bit D0 input |
2 | / | D5 | IN | LVTTL | TTL mode:data bit D5 input |
3 | 2 | VCC | Power IN | / | Positive DC +5V,Max Current 120mA |
4 | / | D7 | IN | LVTTL | TTL mode:data bit D7 input |
5 | / | D6 | IN | LVTTL | TTL mode:data bit D6 input |
6 | 4 | GND | Power IN | Power Ground | |
7 | 10 | D4 | IN | LVTTL | TTL mode:data bit D4 input |
8 | 12 | D1 | IN | LVTTL | TTL mode:data bit D1 input |
9 | 6 | TXD | / | / | UART_TX |
10 | 7 | RXD | / | / | UART_RX |
11 | 9 | D2 | IN | LVTTL | TTL mode:data bit D2 input |
12 | 13 | D3 | IN | LVTTL | TTL mode:data bit D3 input |
13 | 8 | /BUSY ‘usy | OUT | LVTTL | |
14 | 1 | /ALARM | OUT | LVTTL | |
15 | 3 | /STROBE | IN | LVTTL | TTL mode:failling edge effective |
16 | 14 | /RESET | IN | LVTTL | Reset,low level effective,pulse width≥10ms |
7. ORDERING INFORMATION
N | A | B | C | D | E | F |
Port | Mode | Wavelength | Fiber Diameter | Fiber Length | Connector | Interface |
2~256 | SM:9/125um M5:50/125um M6:62.5/125um M10:105/125um PMXXXX:PM Fiber | 85:850nm 13: 1310nm 14: 1490nm 15: 1550nm | 25:250um 90:900um | 05:0.5m 10:1.0m 12:1.2m | OO:None FP: FC/PC FA: FC/APC SP: SC/PC SA: SC/APC LP: LC/PC LA: LC/APC MPO | M1 :PCB M2:39*24*13.5 M3:90*55*12 M4:100*100*12 M5:110*141*12 |